отправьте нам запрос
 
 

 
 

| ДРУГОЙ КОНЕЧНЫЙ ПРОДУКТ | |
| Абрикосовый джем и мармелад | Персиковый джем и мармелад | 
| Сливовый джем и мармелад | Вишневое варенье и мармелад | 
| Клубничный джем и мармелад | черничный джем и мармелад | 
| Апельсиновый джем и мармелад | Варенье из опунции и мармелад | 
| яблочный джем и мармелад | Варенье из манго и мармелад | 
| Томатный джем и мармелад | Другой джем и мармелад | 
| ДРУГОЙ КОНЦЕВОЙ ПАКЕТ | |
| Консервная банка | Стеклянная бутылка/банка | 
| ПЭТ-бутылка | Мешочек и саше | 
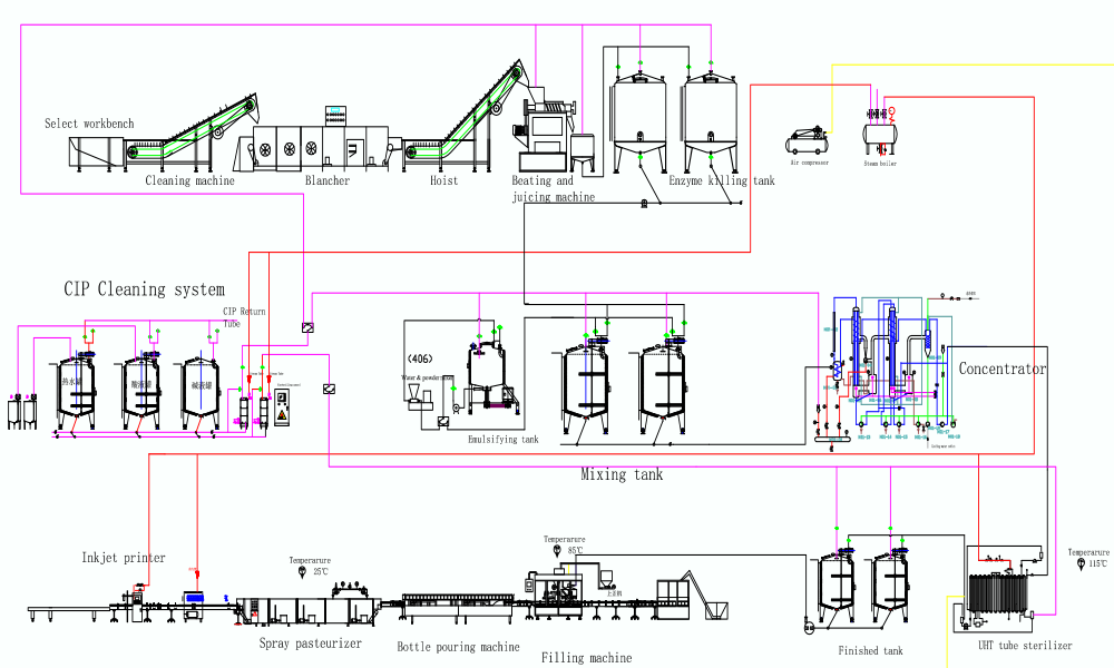
| Сырье | манго, помидоры, гуава и т.д. | 
| Конечный продукт | пюре/джем из манго, томатная паста, концентрат гуавы | 
| Емкость | 3-25т/ч | 
| Скорость выхода сока | 45-55%(манго), 90-95%(помидоры) | 
| Содержание растворимых твердых веществ (свежий сок) | 14–16 брикс (манго), 4–4,5 брикс (помидор), > 9 брикс (гуава) | 
| Растворимое твердое вещество (конечная пульпа) | 14/28 Brix (манго), 28-30/36-38 Brix (помидоры),> 20 Brix (гуава) | 
| Консистенция (Боствик при 20℃) | 6–12/3,5–10 (манго), 4–8 (помидоры), 3,5–8 (гуава) | 
| Пакет конечного продукта | Асептический мешок 220/1400 л // BIB 25 л // жестяная банка 400 г / 800 г и т. Д. | 



